| キーをACCの位置に移動させない限り、ステアリングがロックされてしまう機構なので、スタートボタンを付けても 意味がない。ただ、ACCの位置まで回した後、スタートボタンでエンジン始動は出来る。 ( ACCの位置から、そのままキーを捻ればエンジンは始動するので、スタートボタンは二度手間にはなる ) まあ、この車に置いては、アホのアクセサリーとでも言えるのかな。
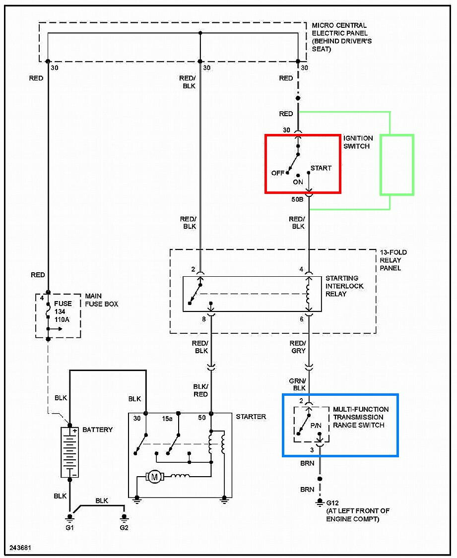
回路図を見ると、青枠で囲った所にトランスミッション系のスイッチが有り、ギアレバーが、パーキングかニュートラル 位置にないと、キーを捻ってもエンジンは掛からない安全設計となっている。 赤枠が、イグニッション スイッチで、キーをstart位置まで捻ると、その下の破線枠内の、ステアリング インターロック リレーのコイルに電流が流れ、スタータモーターに電流が流れる仕組みとなっている。 なので、緑枠内にキーをACCの位置( 下回路図では、赤枠内のon )まで捻られた事を認識する仕組みと スタートボタンを入れ込めば良い。

入れ込む回路が下の赤枠内となる。 ステアリング ロッキング リレーのコイルに流す電流は、200mA未満だろうから、使用部品はリレーでなく MOSとかトランジスタでも良い。この方が、コンパクトに収まるだろう。ただ、半田付けが面倒。 リレーであれば配線は簡単。小型の物を用いればコンパクトに収まる。

補足 : onとは、ACCまでキーを捻った時 on+startとは、スタータを回す時。エンジンが掛かった後は、onのみバッテリーと繋がる
仕様 : onまでキーを捻ると、onLEDが点灯。startSWを押下すると、スタータモーターが起動
|
|
|