| 一般的なオルタネータは、ECUと繋がる端子が有る。 ECUは、所定の電圧値未満なら発電動作へ、逆に所定の電圧以上なら発電を 止める様に制御する。 しかし S1に使われているオルタは、 ECUを介しての制御はない。 オルタ内のレギュレータICが、スタンドアロン( 自己完結 )で 制御する仕様。 このICが壊れれば、それまでとなる。 過去に壊れた事象は、レギュレータ、整流用ダイオード、コンデンサーと多岐に渡る。 原因は、レギュレータ( IC )の故障が殆どで、正常な制御動作が出来なくなると言う現象。 原因を考えると ......
1. エキマニからの輻射熱に因る熱暴走、挙句の果てにラッチアップして破壊 2. B端子(バッテリー端子)、D端子(制御&インジケータ)、メーター内のインジケータ端子等の接触不良/外れに因って、発電電圧が 限界まで上昇し、これが継続し、ICの破壊 3. コンデンサー破壊、あるいは接触不良で、スパイクノイズを平滑化出来ず、ICの破壊 4. IC不具合に因い整流ダイオードに過電流が流れ、整流ダイオードの破壊。 5. B端子からスタータまでの配線、及び D端子からメーターまでの配線抵抗の増大に伴う、発電電圧の上昇と継続に因るIC破壊。
と、大まかには こんな感じ。 他には、ブラシ摩耗とかも有るが、ここまでオルタが持った試しは無い。
上記 1、3は対策出来ているが、気を付けていても、2のケースは振動、酸化で何時でも起こり得る。 5のケースは、経年劣化だ。
< 検証 >
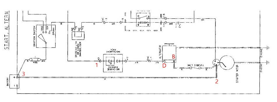
@ メーターとD端子の接続を確かめる ( 下回路図の 1−D 間 ) オルタから、D端子を外してGNDに繋げる。そして、キーをACCの位置まで回す。 これで、バッテリーのインジケータが点灯すれば メーターとD端子は、接続はされている。

ただこれだけでは駄目。 今度は、D端子をGNDから外して開放する。 そして、D端子の電圧を計る。 0.7(V) ≧ バッテリー電圧 − D端子の電圧 の関係なら、LEDと配線抵抗を含めて、合格となる。 満たされていなければ、配線の劣化、LEDの劣化となり交換する必要が有る。 結果 : 全て正常
ここからは、バッテリー端子を外して検証して行く。
A B端子からスタータ間の配線を確かめる ( 下回路図の B−2 間 ) 配線抵抗を計る。 低い値なら( 0.1Ω以下 )OK。 結果 : 0 〜 0.1Ω
ここの配線は、ヒュージブル リンクが含まれる。 詳細は別途記載する。 B スタータからバッテリー端子までの配線を確かめる ( 下回路図の 3−2 間 ) ここには、Kill SWが入っているので、これを含めて配線抵抗を計る。 結果 : 0 〜 0.1Ω
念の為、B端子からバッテリー端子間の抵抗を計るが、 0 〜 0.1Ωと良好。 仮に、オルタからバッテリーに10A流れた場合 バッテリー端子までの電圧降下は、1V(max)に抑えられる。
と、ここまでは順調。 これ以降は、オルタを外しての検証となる。

オルタを外す。 エンジンマウント部の一部外し、エンジンマウント自体を動かし、空間を作る。


何処が壊れているかをチェックする。 結果、下写真の チェック印が付いている部品が壊れていた。 その部品は、レギュレータIC、アッパー側のダイオードであり、 只事では無い事象が発生したと推測される。

制御部を取り出して、レギュレータ ICの各端子が何処に繋がっているかを調べる。 結果は、白線で引いた通り。


回路図で示したのが下。 この中で故障した部品が青枠で囲った所。
動作の概略は、上回路図中の、@(チャージランプ後)の電圧をモニターし、バッテリー電圧を目標の電圧になる様にフィールドコイルに 流す電流を増減させ、ステータで発生する発電量を変える仕組み。 例えば、オルタのB端子からバッテリーまでの配線に欠陥( 抵抗増加、断線に近い状態 )が有ると、バッテリー端での電圧は B端子の電圧より、下がった値となる。 その先のチャージランプまでの配線にも欠陥があれば、レギュレータIC端では、さらに下がった 電圧となる。 A と @の開きが大きい程、レギュレータICは発電量を増やす ...... また、エキマニ直下の極悪な位置に 有るため、輻射熱でさらにレギュレータICは発熱する。 辿り着くのは、ICがラッチアップして破壊。 こうなると、チャージランプも非点灯となる。 これに気が付かなければ、バッテリーが上ってしまう。

要注意点は、テスターで配線抵抗を計って(常温)抵抗値に問題が無い時でも、芯線(銅線)の数本だけが繋がっているケースも有る。 この場合、高電流は流れない。 それでも目標の電圧値になる様にICは制御し続ける。そうすると配線は発熱して、配線の抵抗値が 増大する。 なので、常時高温下で且つ高電流が流れる配線は、目視チェックが必須となる。
車歴が高い場合は、配線を交換した方が良い。 早速 現状の配線をチェックする。
配線は、スタータ端子 → インマニ下 → オイルパン底側面 → A/Cコンプレッサー上 → オルタ の経路。 経路中のスタータ端からA/Cコンプレッサー側面までは、コルゲートチューブで保護されていたが、ここからA/Cの電源が分岐する 為か、オルタ端まではコルゲートチューブが無かった。 保護目的の為、絶縁テープが巻かれていたが ...... ボロボロ 至る所で切れて剥がれた状態の絶縁テープを剥がしていく。 端子端の状態は、酷い。
D端子は、切れそう。 B端子は、被覆が取れて芯線が剥き出し。
< D端子 > < B端子 >

さらに絶縁テープを剥がして行くと ....... これが原因か ! 被覆が溶けて、芯線剥き出しの所が有った。 位置から察するに、A/Cコンプレッサーの角辺りだ。 擦れて穴が空き、GNDとショートして被覆が溶解した様だね。 これじゃ、アッパー側のダイオードとレギュレータICは、一瞬にして 破壊されただろう。 バッテリー直結なので、瞬停して エンジンチェックランプが付いたと考える。 何とも酷い状態だ。

ステータコイル端を見ると、かしめ部下の半田付け部分が溶解していた。 瞬間的に高電流が流れて、一気に溶解したのだろう。

あとチェックすべき所は、ヒュージブル リンク部。 保護チューブで覆われているので、これを抜く。( 下写真の灰色のチューブ ) スタータ端から10cmの長さで、オルタから来ている電源線と、かしめられている。 被覆色は、茶色なので、許容電流は 11(A)。 この数値の妥当性については、詳細を別途記載する。 現状は、かしめ具合、断線等は無く正常。


結局、オルタが破壊された原因は、オルタ端 〜 スタータを繋ぐ 配線のショートだった。 コルゲートチューブで保護されていれば こんな酷い事にはならなかっただろう。
車歴 24年、高温下に晒されて来たケーブル、これは取り換えなければならない。同時に、ケーブルの保護対策は厳重にする。
|
|
|