|
シートのヘッド部にスピーカーが有れば、良く聞こえるし音量も下げられる。 さらに臨場感も増す。 静かな高級車では当たり前となっているシート内蔵スピーカ。 しかし煩いエリこそ、耳元のスピーカは有効ではないのか ?
そこで、ツイータで試してみようかと。 確か、K社の物が有った筈 ....... 見つからない ! 有ったのは、音量が無い ( 蚊が鳴くような音しか出せない ) ツイータが有った。 これで、試してみる。 リアスピーカから分岐させて繋げる。 試しなので、下の様に宙ぶらりんの状態で聞いてみる。
おっ! 効果アリ 。 ツイータか、小型スピーカを選定してみよう。

< リアスピーカの現状 >
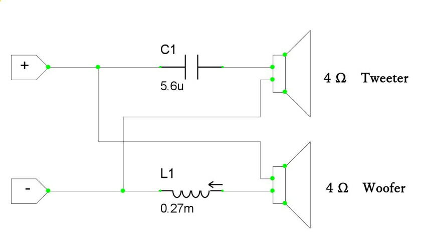
ミッドレンジとツィーターが一体となっているスピーカ。 回路が下。 6dB/octと、一般的なネットワークが入っていた。 カットオフ周波数を計算すると、
ミッドレンジ : fcl = 2.4kHz ツイータ : fch = 7.1kHz となっていた。
fcl = 1/2πRC fch = R/2πL
計算すると、クロスオーバーが、4.2kHzと、なっている。 有る資料を見ると、ウーハーから出る中域・ボーカルを 重視する場合、クロスは高め、4〜5kHzに設定し、ツィーターは、7kHz〜10kHzあたりの組み合わせが多いとの事。 現在のスピーカの設定は、正に この通りとなっている。 ただ、好みで言うと、中域が立ち上がっている音色は喧しくなるので、LPFはもっと下に設定したい。 これは、後程 コイルを取り寄せて検討する。


現在のスピーカ特性は、 緑 : LPF特性 青 : HPF特性 と、なっている。 さて、設置場所の制限があるので、ツイータを購入した。 購入したツイータの特性は、 黄 : HPF特性( C=3.9μF )。 これだと、高音側がパワー不足となりそうな感じ。 因みに、fch = 10kHzとなる。

ネットワークは、C=4.7μFに変えた方が良さそうだが、ノーマルのまま取り付けて、まずは試聴だ。

試聴してみると、やはり音量が小さく シャカシャカ音も耳障り。 また、ツイータを手で包まないと、まともに音が聞こえない。 面倒だが、エンクロージャーを作るしかなさそうだ。 座席後部に設置するので、なるべく小さく作る必要がある。
2023.6.13日 更新
設置場所のスペースを測って、その後は、なすがままに作ってみた。

スピーカの外径 Φ46mm きっちりで、穴を開ける。 スピーカーを耳元に近づけたいので、背面は傾斜を付けカット。 後は、塗装 2回、ニス 1回が下の状態。 ニスは乾くまで最低でも半日かかる。 乾燥を待って#320で研磨した後 2回目のニス塗装で終了となる。 待つ時間が辛抱溜まらん状態になるが、待つしかない。

2023.6.14日 更新
設置した。 座席毎に、L/Rのスピーカを付けるのが普通だろうが、座席後部には反対側のスピーカ設置した。 腰辺りのスピーカと、今回設置したスピーカで、座席辺りのステレオ感を出した。

|
|
|