| ホーン ボタン追加の序に、ティプトロニック スイッチを見てみた。 回路図が下。 ティプトロニック スイッチは、ONで GNDに導通する。 ECUは、GNDレベルを検知し、UP / DOWN を判別する。
< 中継コネクタ部の配線 マニュアルより >

現行のスイッチは、使った事はない。 ( 押し辛い

ティプトロニック スイッチのコネクタが、下。 ( スパイラルケーブルのコネクター )

ここから、信号とGND線を引き出せば、ステアリング裏に汎用のパドルスイッチを設置可能。

2025.2.17日 更新
< ステアリング部のスイッチ >


上写真( ステアリング部のスイッチ )の回路をリバースしたものが、下となる。
< ステアリング部のスイッチ回路 >

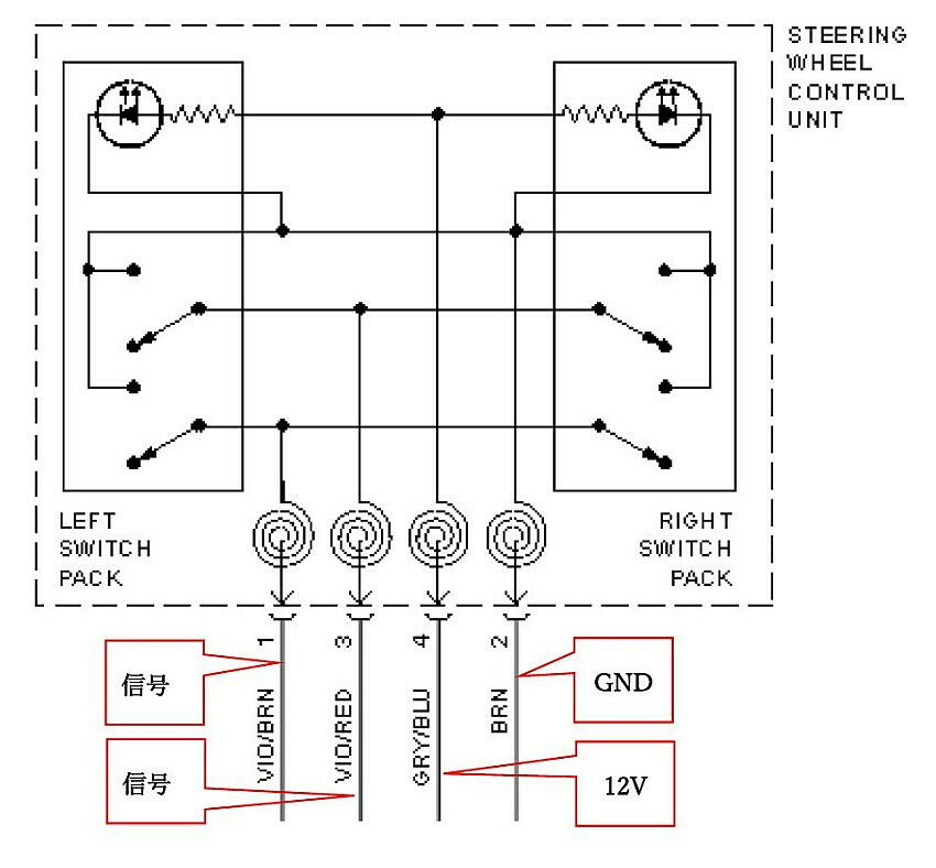
直上の回路図中(ステアリング部のスイッチ)の端子附番と、下写真( 中継コネクタ )の附番の相関は以下の通り。
上1番(down信号)=下3番 、 上2番(GND)=下2番 、 上3番=下4番 、 上4番(up信号)=下1番
ややこしいが、配線の色だけは同じ。この中継コネクターを介して、最終的にスパイラルケーブルのコネクターに 接続される。( スパイラルケーブルへの配線色を変えているので、余計にややこしくなる
< 中継コネクター部 >

さて本題、スイッチを追加する際、スイッチにOR回路を入れる必要が有る。 追加するスイッチ内にOR回路となるダイオードが入っていれば、そのまま現行のスイッチに並行に接続するだけ。
外部スイッチを選ぶ際、気にする事は、取付易さと耐久性。デザイン性を加えると ... 高くなるだけ。 外部スイッチを取り付けるとなると、現スイッチの裏側になるので、この部分の状態を確認する。 結構肉厚なので、取付は可能か。

下が取り寄せたスイッチ。 + OFF の印字は ??? なのだが、機能はOK。(送料含み ¥1,422 OFFの印字は、塗りつぶせば様になるかな。

購入したスイッチには、上記のOR回路(ダイオード)が入っていなかった。この辺りが安物の所以か。 まあ、外付けでダイオードを入れれば良いだけなので、問題はないが。
因みに、迷ったのが下のスイッチ。( 送料込み ¥5,461

2025.2.18日 更新
パドルシフトの配線と、取付。
配線は、裏から穴を開けて通し(1個下の写真中の赤丸)、スパイラルケーブルに繋がるコネクタから出ている 配線に半田付けする。
因みに下が、回路図。
赤枠 : ステアリングに付いている既存のスイッチ(内部回路)。(残すも撤去も 好みで) 青枠 : 追加するパドルシフトのスイッチと外付けのダーオード 緑枠 : スパイラルケーブルに繋がるコネクタ


パドルシフト本体は、ステアリング裏に穴を開けた後、接着。

前面から見ると、チラッとパドルシフトレバーが見える。

2025.2.19日 更新
購入したパドルシフトの中身を載せて置く。この製品は、ゴルフ用なのでアウディにも使えると思っていたのだが 甘かった。ECUとの通信は、スイッチが押されてGND、押されていないと電源電圧となる点は同じなのだが TTは、ECU側にプルアップ抵抗が有るのに対して、ゴルフはパドルシフト内に入っていた。 なので、これを取り除く必要が有った。 ( 下写真の、10kΩのプルアップ抵抗 ) 兎も角、使うのはパドルシフト内のスイッチのみ。

車に実装する前に、動作確認をする。 右手でカメラを持っているので、ステアリングの左側( パドルシフトではダウン )のスイッチのみの動画となる。 既存スイッチ ダウンを2回押下 → 既存スイッチ アップを2回押下 → パドルシフト ダウンを2回押下 となっている。LEDの付き方で、アップ/ダウンが解ると思う。
https://youtu.be/EfMfO6612BE
|
|
|