| タイヤの圧が低いので、電動コンプレッサーを使う為エンジンを掛けるが、始動しない。 症状は、スタータの動きに元気が無い。 二度目キーを捻って、アクセルを煽りながらスタートさせると、愚図りながらエンジンが掛かった。
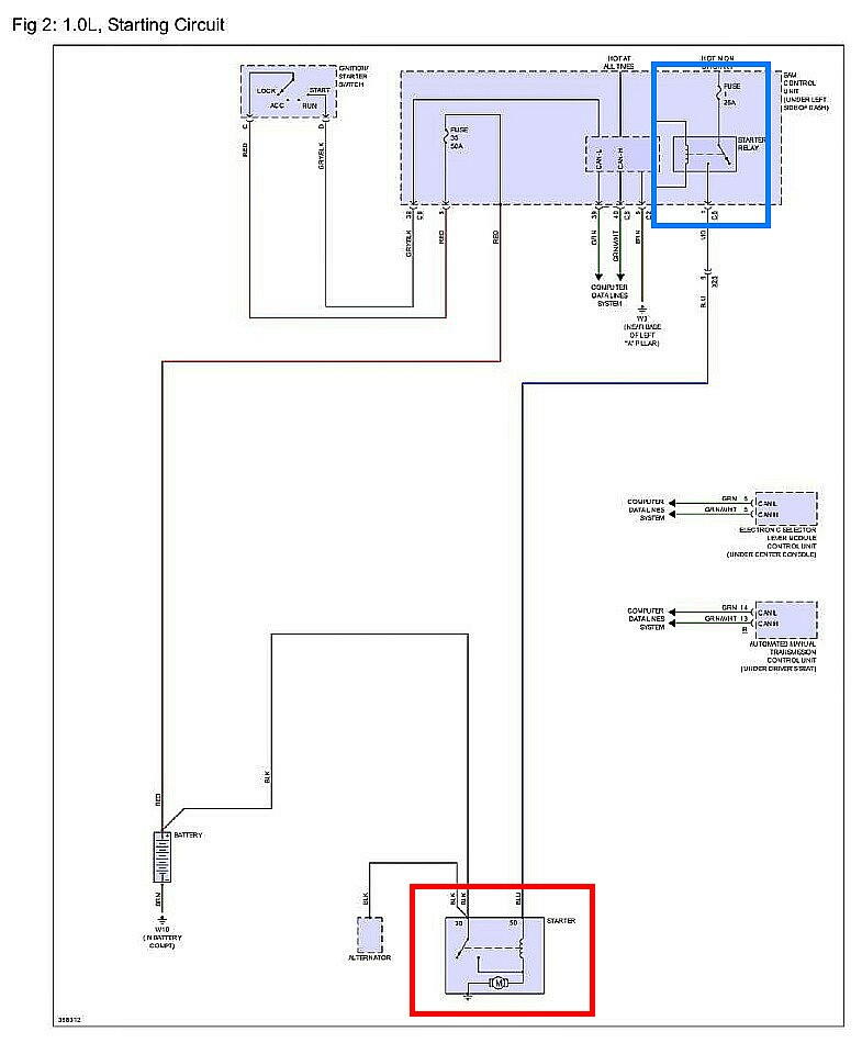
エンジンは掛かるがスタータの起動音が低い現象が、実は2週間前から起こっていた。 出先でエンジンが掛からなくなると不味いので 原因を調べて見た。 ( この頃、上さんが良く使うので、尚更トラブったら不味いのだ マニュアルを見ると、スタータは、SAM ユニット内のリレー( 下図の青枠 )を通して電力が供給されていた。 スタータに問題が 無ければ、リレーかヒューズの接触不良、もしくは、バッテリーが原因となる筈。 未だ3万km程しか走っていないので、スタータが 原因とは思えないし、最近バッテリーはチャージしたばかりだ。。

まず、バッテリーの電圧を測るが、12.3V ちと低いが問題は無い。 それでは、最上流のヒューズの状態を見てみる。 1番の刻印が有るヒューズが、スタータ用。

引き抜いて端子の状態を見る。 多少酸化はしていた。 酸化物を取り除き、再装着。

ここで、エンジンを掛けて見ると、一発で掛かったが、相変わらずスターター音に元気は無い。 となると、リレーか。 リレーの端子は、非常に良く酸化して黒ずむのが常。 で、何処に有るのかとSAMを見ると ...... ボックスの中かい ! いや 〜 これを外して分解となると、非常に手間。 大きなトラブルが有った時に、見てみるか。

では、他に見れる所は無いかと考える。 おお 忘れてはならない、GNDだ。 常識的には、SAMの様な制御機器は 近くにGNDを設置する筈。 探すと、ちょい奥に、GNDの集結点が有った。 ナットが白く塗られているが、ナットの縁の塗装が 剥がれているので、一度は外した形跡が有る。 端子の表面は輝いているが ......

奥まった所なので、エクステンションを入れて、ラチェットを回すと、やけに軽く(手ごたえがない)ナットが回った。 そして現れたボルト台座は、酸化していた。 これは ......

そして、ナット側も酸化していた。

ワイヤーブラシと紙やすりで、酸化膜を除去後、防腐剤を塗布して締結。

そして、エンジンを掛けると ...... スタータは正常に元気よく回った。
これに気が付くのが遅いと、結末は鉄箱化は当然として、その前に、訳の解らぬエラーの続発に悩まされる事になったろう。
|
|
|