|
ウィンカーの動作が異常。 下のビデオを見てもらうと、その不可思議な現象は解る筈。
https://youtu.be/0kvhLmoqZig
ウィンカー操作は、右方向なのだが、薄っすらと左側も点滅している。 電球は、全てLEDに交換しているので、フラッシャーリレーもLED用に交換している。 ( 実際、電球用のリレーを使うと、ハイフラッシャー現象となる )
普通に考えれば、ウィンカーレバー内のスイッチに問題が有りそうだが、その他係わっている部品としては ハザードスイッチ以外にない。 ( 電子回路の図面上では LEDがボヤ〜と光るぐらいだから、数μA程度のリークが有る筈。 電流が少ないだけに厄介だ。
まずは、ウィンカーレバー( DI switch )を取り出して、リークが有るかを調べる。 結果は、左右共に問題なし。( 下は、右に倒して検証した時 )
< DI switch : 右 導通 >

< DI switch : 中立 無限大 > < DI switch : 左 無限大 >

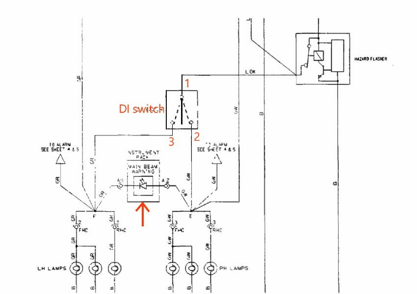
ウィンカーレバー( DI switch )内のスイッチは問題ないので、図面を再度確認する。

図面を信じるなら、ウィンカーレバー( DI switch )を右に倒すと、1と2が繋がる。 その時、矢印で示したメーター内のハイビーム点灯確認用のLEDを通して左側のランプに電流が流れる経路が あるが、メーター内のLEDは点灯していない。 そうなると、左側のランプ(実際にはLED)も、点灯しない筈。 しかし、実際には、左側のランプはボヤ〜と光っている。
逆に、1と3をつなげた場合は、メーター内のLEDは電流を阻止するので、右側のランプへは一切電流は流れない。 しかし、実際には、右側のランプボヤ〜と光っている。
全く理屈に合わない。 どうも、図面に不備が有るようだ。 こうなると、ドツボに嵌る。 要は、数μAのリークを 何処かで流してやれば、LEDはボヤ〜と光らない筈。 そこで、フロント側だけを電球に戻す。 電球なら、リーク電流を流せるし、光らない。
結果 : 目論見通り、正常復帰した。
|
|
|